14. DC Motors (Chapter 11)
Listen to Dr. Stienecker (The audio is also on the P drive if this link won’t work for you)
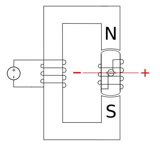
TOPIC 1: How a DC Motor Works
The three laws of magnetism
1. Like poles repel
2. Unlike poles attract
3. As the distance between the poles decreases the force increases
A DC motor works just the opposite of the DC Generator.
TOPIC 2: Usable DC Motor
With one single pair of poles as shown above the torque is very uneven and causes cogging, or a pulsing of the mechanical power to the load. A usable DC motor has multiple pole pairs for more torque and less cogging. These poles are separated around the shaft. For example if a set of poles was added to the above simulation they would be shifted 90 degrees as pictured below.
TOPIC 3: DC Motor Wiring
1. Separately Exited – Often times these include permanent magnets in place of the field winding.
2. Shunt – Achieves a constant speed under load.
3. Series – Achieves a high torque under load but cannot be run without a load or the motor will continue to increase in speed until it explodes.
4. Compound – Can achieve the benefits of both types of windings.
TOPIC 4: Counter EMF and Motor Starting
The DC motor is identical to the DC generator so when the armature spins it generates a voltage in opposition to the power supply voltage called counter-electromotive force (CEMF).
- Like poles ________.
- As like or unlike poles get closer to one another the force they experience ___.
- True or False? During rotation the current through the armature drops to zero.
- True or False? During operation the magnetic field changes in the field winding.
- Generally, as the number of poles in a motor increases the ___________ increases.
- A separately excited DC motor has two power sources. If the armature is powered by a DC power supply, the magnetic field in the stator is supplied by a DC power source supplying current to a field winding or by a(n)____________.
- At zero speed, the CEMF is ________.
- A DC motor starter is used to_____________.


Leave a comment