20: Electrical Documentation: Schematics
NOTE – THE DUE DATES FOR LECTURES 20-25 WILL BE MOVED TO WEDNESDAY AT 1:00PM
TOPIC 1: Basic components (Listen to Dr. Stienecker)
TOPIC 2: Power and Connections (Listen to Dr. Stieneker)
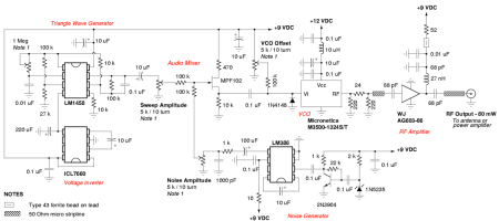
You should now be prepared to answer the following questions based on the pictured schematic. Click here to find the original picture. This is a cell phone jammer circuit.

Obtained from Shenzhen Top CCTV Technology at http://www.sztopcctv.com
1. How many variable resistors are in this circuit?
2. How many non-variable resistors are in this circuit?
3. How many Capacitors are in this circuit?
4. What is the voltage of the two DC power supplies used in this circuit?
5. How many inductors are used in this circuit?
6. What is the cost of the two transistors if we purchased them from http://www.digikey.com? The part numbers are MPF102-ND and 2N3904FS-ND.
7. What would the cost be if 25 of each component was purchased?

January 29, 2010 at 3:16 am |
For #7 do you mean 25 of the 2 types of transistors or all of the components for the entire schematic?
January 29, 2010 at 7:20 am |
25 of each transistor… be sure to find the quantity discount information. Do not just multiply the cost of 1 of each by 25.